ACE Series Pneumatic Cylinder Kits
Characteristic
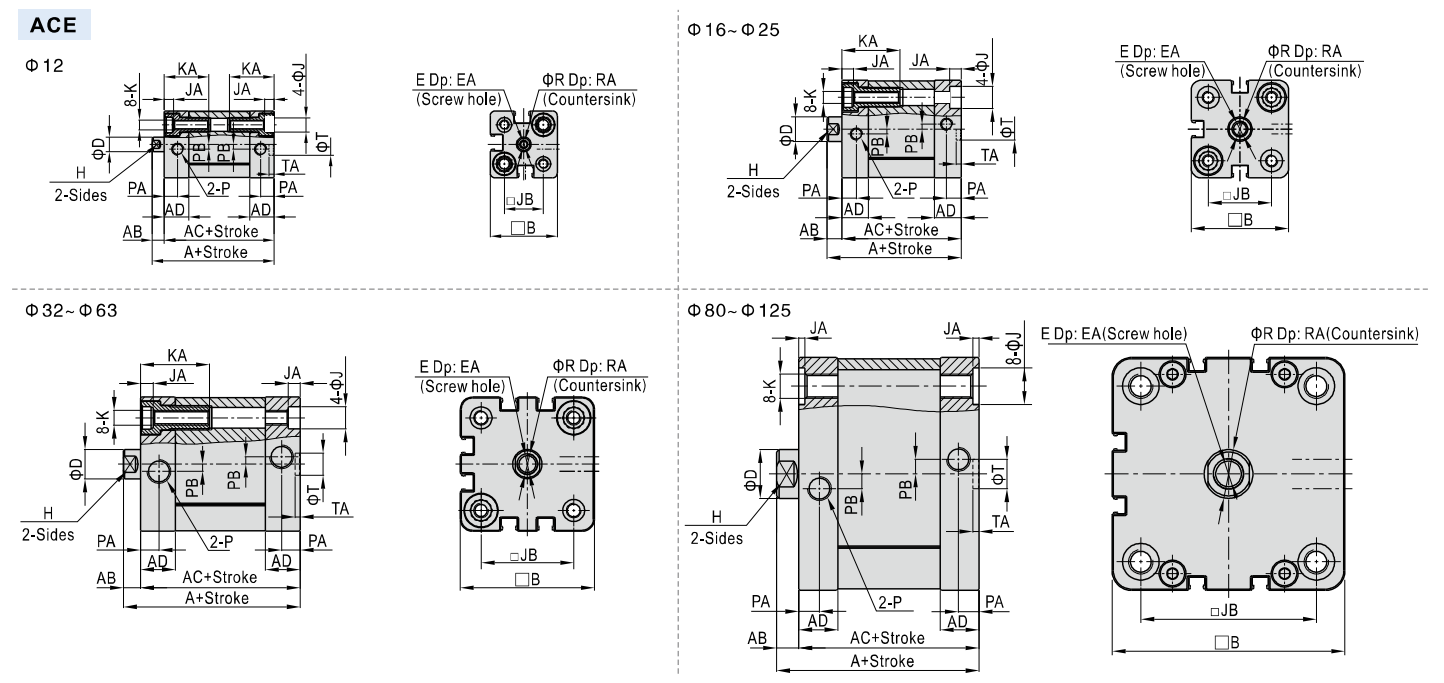
Bore size: 12mm 16mm 20mm 25mm 32mm 40mm 50mm 63mm 80mm 100mm 125mm
1. We can offer ACE pneumatic cylinder and Air cylinder kits AND In accordance with ISO21287 standard.
2. Bore 12mm 16mm 20mm 25mm 32mm 40mm 50mm 63mm 80mm 100mm 125mm ACE Air Cylinder Kits available.
3. Conforms to ISO21287 Standards.
4. Complete pneumatic cylinder assembly kits include front end cap, Rear end cap, piston, all seals, all screws, magnetic ring, PTFE-ring and ect., only except piston rod, and pneumatic cylinder profile.
Dimensions
FAQ
Q1:What is the pneumatic cylinder kits?
A:China Pneumatic Cylinder Assembly Kits refers to the accessories of the pneumatic cylinder other than the Air Cylinders Tube(6063 Cylinder Tube) and piston rod, including the Pneumatic cylinder end cover, pneumatic cylinder piston, sealing ring, etc.
Q2:What is the material of pneumatic cylinder cover?
A:Due to the complex shape of the pneumatic cylinder end cover, aluminum alloy casting is generally used. Compared with cast iron cylinder heads, aluminum alloy pneumatic cylinder heads have the advantage of good thermal conductivity, which is beneficial to increase the compression ratio and improve work efficiency. In addition, compared with cast iron, aluminum alloy has an outstanding advantage in light weight, which is in line with the development direction of lightweight design.
Q3:What is the standard of your Air cylinder kit?
A:Our pneumatic cylinder kits are produced in strict accordance with the size of the pneumatic cylinder. In order to avoid air leakage, the size of the end cover must match the size of the pneumatic cylinder.
For example, the standard for SI pneumatic cylinders is ISO6431, and our pneumatic cylinder kit standard is ISO6431; the standard for DNC pneumatic cylinders is VDMA24562, and our pneumatic cylinder kit standard is VDMA24562.
Q4: What is the material of pneumatic cylinder seal kits?
A:The Pneumatic Cylinder Assembly Kits of seal kit is made by NBR.














